उच्च शक्ति 1653.7एनएम लेजर मॉड्यूल सबकैरियर पर चिप के साथ एक समतलीय निर्माण का उपयोग करता है। ऊँचा पावर चिप को एपॉक्सी-मुक्त और फ्लक्स-मुक्त 14-पिन तितली पैकेज में भली भांति बंद करके सील किया गया है और एक के साथ फिट किया गया है उच्च गुणवत्ता वाले लेजर प्रदर्शन को सुरक्षित करने के लिए थर्मिस्टर, थर्मोइलेक्ट्रिक कूलर और मॉनिटर डायोड। मीथेन गैस का पता लगाने के लिए 1653nm 40mW BTF लेजर डायोड Telcordia GR-468 योग्य हैं, और RoHS निर्देशों के अनुपालन में हैं।
उच्च शक्ति 1653.7एनएम लेजर मॉड्यूल सबकैरियर पर चिप के साथ एक समतलीय निर्माण का उपयोग करता है। उच्च शक्ति चिप को एपॉक्सी-मुक्त और फ्लक्स-मुक्त 14-पिन तितली पैकेज में भली भांति बंद करके सील किया गया है और उच्च गुणवत्ता वाले लेजर प्रदर्शन को सुरक्षित करने के लिए थर्मिस्टर, थर्मोइलेक्ट्रिक कूलर और मॉनिटर डायोड के साथ फिट किया गया है। हमारे लेजर उत्पाद Telcordia GR-468 योग्य हैं, और RoHS निर्देशों के अनुपालन में हैं।
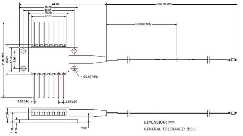
● उद्योग-मानक 14-पिन तितली पैकेज;
● अंतर्निर्मित टीईसी और ऑप्टिकल आइसोलेटर;
● उच्च-प्रदर्शन, मल्टीक्वांटम वेल (MQW) वितरित-प्रतिक्रिया (DFB) लेजर।
● गैस का पता लगाने के लिए निष्क्रिय घटकों का उत्पादन परीक्षण;
● फाइबर गैस पहचान प्रणाली;
● लेजर स्रोत।
| पैरामीटर | प्रतीक | स्थिति | न्यूनतम. | प्रकार. | अधिकतम. | इकाई |
| केंद्र तरंगदैर्घ्य | नियंत्रण रेखा | टीएल = 15 ~ 35 ℃ क्व | 1652.7 | 1653.7 | 1654.7 | एनएम |
| ऑप्टिकल आउटपुट पावर | बाद | सीडब्ल्यू | - | 40 | - | मेगावाट |
| एलडी थ्रेशोल्ड करंट | आईटीएच | सीडब्ल्यू | - | 15 | 40 | एमए |
| एलडी फॉरवर्ड करंट | अगर | पीएफ = रेटेड पावर | - | 300 | 400 | एमए |
| ऑप्टिकल अलगाव | - | -10 <टीसी <+70℃ | 30 | - | - | डीबी |
| साइड-मोड दमन अनुपात | एसएमएसआर | सीडब्ल्यू | 35 | 40 | - | डीबी |
| जवाबदेही की निगरानी करें | टीकाकरण | - | - | 1 | 20 | था/मेगावाट |
| जवाबदेही स्थिरता की निगरानी करें | - | - | - | - | 20% | - |
| डार्क करंट की निगरानी करें | पहचान | वीपीडी =5वी | - | - | 50 | ना |
| टीईसी वर्तमान | आईटीईसी | टीकेस =75℃ | - | - | 2 | A |
| टीईसी वोल्टेज | वीटीईसी | टीकेस =75℃ | - | - | 3.5 | V |
| टीईसी बिजली की खपत | P | टीएसटीजी =25℃ | - | - | 5 | W |
| थर्मिस्टर प्रतिरोध | रथ | टीकेस =75℃ | 9.5 | 10 | 10.5 | कोहम |
| थर्मिस्टर बी स्थिरांक | बथ | टीएसटीजी =25℃ | - | 3900 | - | K |
| तरंग दैर्ध्य बहाव (ईओएल) | △λ | 25 वर्ष के जीवनकाल में परीक्षण किया गया | - | - | ±0.1 | एनएम |
| लहर। तापमान गुणांक | डीएल/डीटी | टीईसी तापमान 15℃ से 35℃ पर | - | 0.09 | - | एनएम/℃ |
| तरंग दैर्ध्य वर्तमान गुणांक | डीएल/डीआई | - | - | 0.01 | - | एनएम/इन |

शिपिंग से पहले सभी उत्पादों का परीक्षण किया गया है;
सभी उत्पादों पर 1 वर्ष की वारंटी है। (गुणवत्ता की गारंटी अवधि के बाद उचित रखरखाव सेवा शुल्क लेना शुरू हुआ।)
हम आपके व्यवसाय की सराहना करते हैं और तत्काल 7 दिनों की वापसी नीति प्रदान करते हैं। (आइटम प्राप्त करने के 7 दिन बाद);
यदि आपके द्वारा हमारे स्टोर से खरीदी गई वस्तुएँ उत्तम गुणवत्ता की नहीं हैं, अर्थात वे निर्माताओं के विनिर्देशों के अनुसार इलेक्ट्रॉनिक रूप से काम नहीं करती हैं, तो बस उन्हें प्रतिस्थापन या धनवापसी के लिए हमें लौटा दें;
यदि आइटम ख़राब हैं, तो कृपया डिलीवरी के 3 दिनों के भीतर हमें सूचित करें;
धनवापसी या प्रतिस्थापन के लिए अर्हता प्राप्त करने के लिए किसी भी वस्तु को उसकी मूल स्थिति में लौटाया जाना चाहिए;
खरीदार सभी शिपिंग लागत के लिए जिम्मेदार है।
प्रश्न: तरंग दैर्ध्य की सटीकता क्या है?
ए: +/-0.5एनएम।
प्रश्न: क्या आपके पास आउटपुट पावर के अन्य संस्करण हैं?
ए: 10mW, 15mW, 50mW।
सी-बैंड नैरो लाइनविथ इंटीग्रेटेड ट्यूनेबल लेजर असेंबली आईटीएलए
1550nm 40mW 200Khz नैरो लाइनविड्थ DFB बटरफ्लाई लेजर डायोड
1550nm 40mW 600Khz DFB बटरफ्लाई पैकेज नैरो लाइनविड्थ लेजर डायोड
1550nm 50mW 100Khz नैरो लाइनविड्थ DFB बटरफ्लाई लेजर डायोड
1550nm 2mW 5mW नैरो लाइनविड्थ समाक्षीय लेजर डायोड
1550NM 100MW 100kHz संकीर्ण Linwidth DFB लेजर डायोड BTF SM/PM फाइबर के साथकॉपीराइट @ 2020 शेन्ज़ेन बॉक्स ऑप्ट्रोनिक्स टेक्नोलॉजी कं, लिमिटेड - चीन फाइबर ऑप्टिक मॉड्यूल, फाइबर युग्मित लेजर निर्माता, लेजर घटक आपूर्तिकर्ता सभी अधिकार सुरक्षित हैं।